近年来,我国大力推动装配式建筑的发展,行业规模不断增长,各种装配式建筑技术和产品层出不穷。预制叠合楼盖由于对建筑物结构的影响相对较小,容易通过叠合方式实现规范规定的“等效现浇”目标,同时在国内大部分地区的评定规则中,预制叠合板可以按照投影面积计算预制率,因此被作为装配式建筑的“标配”技术和产品,应用广泛。
钢筋桁架混凝土叠合楼盖是目前使用较多的一种楼盖体系,该体系与传统现浇楼盖最接近,无论从设计、施工角度都可以实现较低难度的切换。实际市场中绝大部分叠合楼盖都是先按现浇结构体系进行设计,再“拆分”成预制加现浇的叠合楼盖,底板部分在工厂预制,上半部分在现场现浇,该体系在国外一直有应用,并在多类建筑工程应用中发挥了很好的作用。
但由于我国建筑功能、抗震设防、产业配套等因素的影响,很多工程按照这种方式拆分后,实施效率反而降低,建造成本增加,效果并不理想。而预应力技术在解决水平结构承载力、裂缝、挠度,以及建造成本等方面具有非常大的优势,已经在市政、铁路、桥梁领域广泛应用。
结合装配式建筑的发展,通过工厂化的预制预应力技术与装配式建筑叠合板技术结合,在房建领域进行技术创新,将获得极大的经济和社会效益。
本文介绍公司研发的3种高性能预应力混凝土楼盖:预应力带肋混凝土叠合楼盖、预应力混凝土空心板叠合楼盖、预应力混凝土双T板叠合楼盖。这3种预应力混凝土楼盖的研究从建筑和结构体系开始,再到设计、生产、施工的关键技术,均成功应用于装配式建筑多项工程,取得了良好的经济效益和社会效益。3种预制板的特点与适用性详见表1。

01
预应力带肋混凝土叠合楼盖
预应力叠合楼板由预制预应力带肋混凝土底板和上部后浇混凝土叠合层组成,具有整体性好、抗裂性强、承载力高,跨度适用范围大、经济性好等优点。预制预应力带肋混凝土底板在工厂预制成型,侧向不出筋,纵向为预应力钢筋,底板厚度通常取50mm。上部设肋,可抵抗预应力筋形成的反弯矩,在有施工或者一直荷载时抵抗压应力,预制预应力带肋叠合板底板如图1所示。

图1 预制预应力带肋叠合板底板
1.1 设计研究
1.1.1 理论研究
首先明确结构计算边界条件,确定建筑跨度和使用最不利条件;其次分析预制构件及叠合后结构在生产、运输、安装、使用等不同阶段的受力状况,通过力学计算合理配筋并设计预应力值;最后进行数值分析和模拟。
力学计算:预设较大跨度9.0m,板宽取600mm、800mm为基础尺寸,预制肋宽取200mm,进行底板抗裂、挠度、反拱值的分析计算,截面尺寸如图2所示。

图2 预制预应力叠合板标准截图(单位:mm)
单板有限元分析:预应力筋采用高强度预应力钢丝,直径7mm或9mm。部分有限元模拟结果如图3所示

图3 叠合板试件有限元模拟结果
1.1.2 节点设计
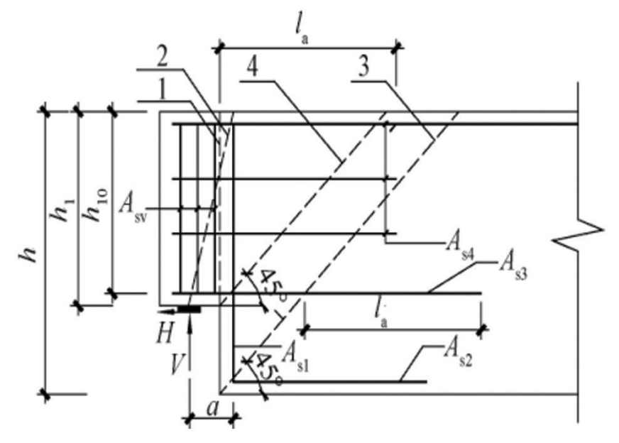
根据不同的结构形式,设计适应的构造节点,以满足不同结构的受力要求。根据板端的抗剪要求,合理的设置抗剪构造,如:钢梁栓钉、板端处抗剪桁架筋等,如图4所示。

图4 叠合板节点构造示意图(单位:mm)
1.1.3 试验研究
试验设计了1块预制带肋底板试件(S1)和1块预应力叠合板试件(S2)的受弯承载力试验,并与有限元的相关建模分析进行对比,以验证模型中预应力施加和所选参数的准确性。
试验采用均布加载的方式,研究预应力带肋叠合板的挠度变化、裂缝特征、极限承载力等力学性能,并确定破坏荷载值。S1、S2试件在试验及模拟条件下的荷载-挠度曲线对比如图5所示。

图5 带肋叠合板荷载-挠度曲线试验与模拟对比
由试验结果可知:
(1)叠合板试件在正常使用荷载作用下未开裂,挠度满足规范限值;
(2)在长期荷载作用下,跨中最终总挠度为相同规格相同荷载作用下两端简支板跨中挠度的23.6%,整体大板呈现出双向受力特征;
(3)正常使用荷载下,板底板顶混凝土均未开裂破坏;预应力钢筋较大拉应力远小于钢筋受拉屈服强度,满足设计要求;
(4)有限元数值模拟的结果与试验结果吻合良好,较好的反映叠合板真实受力特点。
1.2 生产技术研究
长线法流水作业技术:采用长线台,模台长度120m,宽度有2400、3500mm这2种,模台下设水浴养护循环管道。围绕模台形成模台清理、钢筋布置、预应力张拉、混凝土浇筑、养护、松张、吊装流水作业。如图6所示。

图6 带肋叠合板长线法生产线
多功能张拉装置:设计了具备多种张拉力和配筋形式的反力架,以及可适应不同配筋、不同张拉力、不同截面尺寸叠合板的张拉和放张装置,可针对不同条件灵活调整,提高生产线的灵活性和适用范围。
高效布置预应力筋技术:长线台布设非预应力钢筋,采用焊接网片,由人工逐一放置;预应力筋采用多功能小车1次牵引完成,1条线布筋大约需要15~20min。
预应力智能张拉技术:采用200kN张拉机,配有4个千斤顶及千斤顶升降装置等,张拉数据具有保存和输出功能,且张拉数据到达设定值后能自停,有效保证了张拉的质量。
钢筋智能化高效生产技术:采用自动网片焊接机生产钢筋网片及桁架钢筋,实现连续、高效生产。
混凝土高效运输技术:采用空中自动控制混凝土运输车(俗称鱼雷罐)运输混凝土,通过程序自动化控制。
混凝土高效浇筑技术:采用摊铺机和人工相结合的方式进行下料,底板采用平板振捣器振捣,肋采用振捣棒振捣,浇筑时间短,生产效率高。
混凝土高效养护技术:露天生产时主要采用蒸汽管道输送蒸汽到混凝土表面,同时采用帆布进行覆盖;室内生产时采用模台底部设置回热水水浴管道,蒸汽加热循环水进行养护。
高效出货、堆放技术:创新研发了快速出货平车、高效运输架、高效吊架等配套设施,实现叠合板从出池到现场安装的高效运作。如图7所示。

图7 带肋叠合板高效码放、运输
1.3 工程应用及技术成果
深圳市长圳公共住房及其附属工程:深圳市长圳公共住房项目总建筑面积114.6万m2,是国内在建的大规模保障性住房项目。工程采用了大跨度预应力叠合楼板、套筒灌浆剪力墙、钢与混凝土组合主次结构等一系列前沿装配式技术。其中预应力带肋叠合板使用面积超过30万m2。楼板的设计跨度达到6600mm,一般的钢筋桁架叠合板承载力及使用跨度无法满足其建筑功能及结构的需求。工程现已完成构件安装和结构验收,正在进行精装修,预计2021年12月底之前交工。图8为该项目带肋叠合板的安装。

图8 深圳市长圳公共住房项目带肋叠合板的安装
深圳市坪山区多所学校项目:深圳市政府近年来被学位缺口所困扰,大力投资兴建学校,要求“工期快,质量好”。中建科技利用自身优势,积极配合政府完成相关任务,陆续以EPC模式建设了8所学校,面积超过50万m2。多所学校工期仅为1年,经研究决定采用预制混凝土柱与钢梁组合结构体系,配合使用预应力带肋叠合板。经过多个项目实践验证,该建造体系高效、安全、适用,综合成本低,经济和社会效益十分显著。图9为项目组合结构预应力叠合板的安装。

图9 组合结构预应力叠合板安装
本项技术研究取得的部分成果见表2。

02
预应力混凝土空心板叠合楼盖
预应力混凝土空心板(如图10所示)是一种常见的预应力构件,具有承载力高、跨度大、自重轻、安装效率高、经济效益好等特点,经过几十年的研究和应用,已经比较成熟。但是国内针对高抗震、大跨度、重载、高层建筑的工程研究和应用几乎没有。

图10 预应力混凝土空心板
2.1 设计研究
2.1.1 理论计算
力学计算:针对中建科技集团承接的坪山区新能源汽车产业园项目,以高层(限高100m),楼面荷载值6.5kN/m2进行设计,层高4.5~8m,跨度8m,拟采用预制预应力空心板叠合楼盖。通过静力分析,对空心板的短期和长期两种工况的承载力、开裂值、挠度、反拱等进行计算校核。
楼盖整体受力分析:分别建立2个模型进行叠合楼板的抗拉、抗弯及抗剪计算。
有限元应力计算:以实际项目为基础,进行楼层的有限元抗震分析,部分楼板的有限元计算结果如图11所示。

图11 高层重载工业厂房部分楼层板应力分布
2.1.2 节点连接
为满足叠合楼盖高层变形和抗震要求,空心板板顶设置现浇叠合层,空心板端部分空腔内放置桁架钢筋并用细石混凝土灌实,以及空心板板缝内设置抗剪钢筋三道构造措施提高空心板的整体性和防脱落能力,板端构造和板缝剖面图如图12所示。

图12 预应力空心板安装构造图(单位:mm)
2.1.3 试验研究
试验分为力学性能试验与耐火性能试验。
力学性能试验:通过静力加载试验,了解研究空心板的开裂荷载、挠度变形、裂缝发展、承载能力等力学性能。空心板加载试验采用均布、分级加载方式,分3个阶段,每级加载后持续时间5min,再观察记录各测点挠度变化、板底裂缝开展情况等。空心板跨中荷载-挠度曲线如图13所示。

图13 预应力空心板板跨中荷载-挠度曲线
由试验结果可知:
(1)试件加载至正常使用极限状态荷载时,挠度值、裂缝宽度均满足规定,满足正常使用极限状态的要求;
(2)试件加载至承载能力极限状态荷载时,挠度值、裂缝宽度均满足规定,满足承载能力极限状态的要求。
耐火性能试验:为了验证预应力空心板是否满足高层建筑的防火要求,对2种厚度的空心板进行了耐火性能试验,对试件在规定高温下的承载力、完整性、隔热性进行了检测。由试验结果,根据GB/T 9978.5《建筑构件耐火试验方法》的规定,对200mm、265mm厚度预应力空心板进行承载能力、耐火完整性和耐火隔离性试验,均满足90min、120min的耐火时间要求。
2.2 生产技术研究
干性混凝土研究:采用C45细石混凝土,配合比主要由P.Ⅱ52.5R水泥、S95矿粉、5~10mm细骨料、水、外加剂等材料组成,总胶材量为400kg/m3,水灰比0.35,24h的强度可以达到35MPa以上,有效缩短放张起模时间,提高生产效率。
高效布筋:预应力空心板生产线可与预应力带肋叠合板共用,布筋工艺采用多功能小车,一次牵引布筋仅需2min,极大的提高了生产效率。
高效成型:采用德国进口一体化滑模机进行滑模成型,滑模速度1~3m/min,无须支模拆模,干硬性混凝土直接成型构件截面,构件总长度100~110m,根据设计长度进行切割。
高效养护:在模台底部安装多个发热组件,由模台起始端向终点端均平衡布置,升温均匀,整个模台温度相差小,大大缩短了预制构件的养护时间。
高效切割:通过使用MAS(多角度切割机)可以将已经硬化的混凝土构件在生产板床上切割至需要的长度,定位长度误差在1‰,可以实现0~180°的直角切割或者0~90°以及90~180°的斜切。
生产过程中的预应力筋铺设及构件滑膜成型与养护如图14、图15所示。

图14 预应力筋铺设

图15 构件滑模成型与养护
2.3 工程应用及技术成果
坪山新能源汽车产业园项目一期1~3栋项目的建筑面积约为2.6万m2,1号和2号楼采用钢管混凝土框架-核心筒结构体系,结构高度分别为95.6m和86.1m;3号A座和B座采用钢管混凝土框架-剪力墙结构体系,结构高度分别为91.7m和87.2m。
该项目层高普遍在4~5m,1~2层甚至达到10m,普通的支模现浇难以实现;其次,该厂房结构跨度大、荷载重,跨度可达12m,荷载可达6.5KN/m2。采用预应力空心板,安装免模板支撑,施工速度快,平均吊装一块只需5~10min,大大缩短工期。同时,对预应力空心板节点连接进行创新设计,有效的解决了其在高层应用中的抗震问题,使其成为全国首例应用预应力空心板的百米项目。图16为预应力空心板的安装。

图16 预应力空心板安装
本项技术研究取得的部分成果见表3。

03
预应力混凝土双T板叠合楼盖
预应力双T板是一种高效的重载、大跨预制构件,跨度可达40m,常用于房建领域的大跨度结构。中国建筑绿色产业园综合楼项目,采用大跨度主次结构,结构跨度18m,荷载设计值56kN/m2,采用常规构件不可能实现。通过研发,采用突破现有规范的重载大跨度双T板,实现了设计意图。如图17所示。

图17 预应力混凝土士双T板
3.1 设计研究
3.1.1 理论计算
构件截面受弯承载力分为纵向和横向两部分,纵向即按T梁截面进行受弯承载力计算;横向即按板进行截面弯矩计算,再通过其开裂值、反拱值、挠度值等限定,进行反复的迭代计算,同时对其生产过程的张拉、脱模起吊等阶段进行校核验算。
3.1.2 节点设计
双T板的设计关键技术之一是搁置节点设计。参考美国PCI手册,根据构件间接触面的区别按柔性连接和刚性连接2种方式进行验算。对双T板跨中受弯承载力和端部企口受剪承载力进行设计计算和配筋。同时,为保证结构安全,须对双T板搁置处节点的最小搁置长度、预留间隙、安全储备等进行设计计算和试验研究。图18、图19分别为双T板企口部位配筋示意图及双T板搁置示意图。

图18 双T板企口部位配筋示意图

图19 双T板搁置示意图
3.1.3 试验研究
通过单向简支双T板的静力荷载试验,研究其在不同试验荷载下挠度、裂缝的变化情况,以及破坏荷载。
双T板静力荷载试验采用均布、分级加载方式,变形测量点位于双肋支座附近、跨中和1/4点处,分3个阶段加载,每级加载5min,之后记录位移计读数。双T板试验加载过程如图20所示,双T板板跨中荷载-挠度曲线如图21所示。

图20 双T板试验加载过程

图21 双T板板跨中荷载-挠度曲线
由试验结果可知:
(1)试件加载到荷载标准值时,尚未出现裂缝,挠度值满足要求,满足正常使用极限状态的要求;
(2)试件在加载至46.36kN/m2时,出现第1条裂缝,开裂荷载实测值满足计算要求,跨中挠度值满足规定的开裂荷载允许值;
(3)试件跨中挠度值和较大裂缝值均满足承载能力极限状态标志下对应的要求,也未出现其他任一承载能力极限状态标志,满足承载能力极限状态的要求;
(4)试件在承载能力极限状态下的最终荷载值为68.58kN/m2。
3.2 生产技术研究
自持力模架:每条肋上设有6条150mm×150mm× 10mm方通和2条140mm×140mm×10mm角铁,两端采用100mm厚度的承力钢板,以达到模台自持力要求。因此模架无需打地锚,可灵活移动,只要场地平整坚硬,双T板可“可移动式”生产。
长线法生产:可以实现同一条生产线生产不同肋高、不同跨度的双T板产品,自由搭配,利用率高。
固定模具架+可变款模板:在保持自持力模架不变的前提下,其余模板可根据项目需要进行重新拆装,满足不同截面构件的需要。
自由组合:自持力长线模台由3条20m长的模台纵向拼装而成,可根据需要进行组合,提高模具使用率,降低成本。
自持力可组合式长线法模台生产线如图22所示。

图22 自持力可组合式长线法模台
3.3 工程应用及技术成果
大跨重载预应力双T板叠合楼盖应用于深圳深汕合作区绿色产业园综合楼项目,建筑面积5150m2,建筑高度21m。该项目采用装配式混凝土铰接框架结构,3层以上采用巨型结构设计,整个巨型空间的桁架结构都作用于首层的双T板楼面上,板面荷载设计值高达56kN/m2,跨度达到18.2m,在民用建筑中十分罕见。通过设计、生产、安装技术研究,成功解决了一系列关键技术,实现了工程目标。如图23所示。

图23 中建绿色产业综合楼项目
本项技术研究取得的部分成果见表4。

04
结束语
上述科技成果,于2021年8月31日通过中国水泥与混凝土制品协会(CCPA)组织国内外高级专家鉴定,整体达到国际先进水平,并获协会科技进步二等奖。成果的技术性、先进性可归纳为以下几点:
(1)创新了设计关键技术;通过理论分析、数值模拟和试验论证,综合考虑施工过程短暂受力和一直受力的特点,归纳总结设计过程的关键技术,将预应力带肋混凝土叠合板、预应力混凝土空心板两种楼盖体系的设计方法编制成为计算软件,提供了可靠合理、高效便捷的程序化、数字化的设计方式。
(2)创新了预应力带肋混凝土叠合板楼盖的应用技术;实现跨度6.6m带肋叠合板在全国大规模保障性住房项目—深圳光明区长圳公共住房项目的应用,使用规模超过30万m2,建筑结构高度可达到150m,实现了建筑大空间可变户型的设计要求,为预应力叠合板在住宅中的应用开创了新的局面。
(3)创新了预应力混凝土空心板叠合楼盖的应用技术;通过对预应力混凝土空心板的节点连接、叠合层设计、板缝抗剪等问题进行研究,有效的解决了其在高层建筑应用中的抗震问题,并成功的在深圳坪山区新能源汽车产业园项目上应用,使用跨度达到8.4m,建筑结构高度达到95m,是全国首例应用预应力空心板的百米项目。
(4)创新了预应力混凝土双T板叠合楼盖的应用技术;通过对重载、大跨度预应力混凝土双T板的设计方法、节点构造、叠合层设计、生产工艺等问题进行研究,实现了跨度18m、设计荷载值56kN/m2的双T板在办公建筑中的应用,为类似重载、大跨度的巨型结构在民用建筑中的应用探索了新的路径。
(5)创新了预应力构件的生产技术;通过对德国进口预应力生产线成型、养护、切割、钻孔等技术升级研发,部分实现了进口设备的国产化;通过自主创新完成了预应力带肋叠合板生产线的设计、使用,实现该板型的高效高质量生产;通过创新研发自持力模台,实现预应力双T板的可移动、可变款、可组合式高效生产。
(6)创新了预应力叠合楼盖的施工技术;通过合理的设计构件尺寸和配筋、合理的制定吊装和支座方案、科学的设计临时支撑,很大程度实现了预应力叠合楼盖少支撑甚至免支撑的建造方式,解决了钢筋桁架混凝土叠合板、现浇楼板施工过程支模过多、工业化程度低、施工环境差的痛点,引导了装配式建筑行业的正确发展方向。
原文参见《混凝土世界》2022年2期 P42~P51
联系地址:德州市经济技术开发区红都路956号
联系电话:0534-2109518
传真:0534-2109698
邮箱:[email protected]
周经理:18963003578

微信扫一扫
WECHAT SCAN