01
预制装配式建筑的定义
装配式建筑是以构件工厂预制化生产,现场装配式安装为模式,以标准化设计、工厂化生产、装配化施工,一体化装修和信息化管理为特征,整合从研发设计、生产制造、现场装配等各个业务领域,实现建筑产品节能、环保、全周期价值最.大化的可持续发展的新型建筑生产方式。

02
预制装配式建筑的背景
(1)时代背景
发展预制装配式建筑有着强烈的时代背景,一是人口红利的减少,2000年新出生的人口持续下降,2015年后开放二胎后,人口增长出现了一个小高峰,但随后继续下降。从表中可以看出,随着人力成本的逐年攀升,目前装配式建筑与传统现浇式结构已经逐渐达到了一个相对微妙的平衡。另一方面是国家提出的供给侧产业改革,从粗放的生产模式向工业化的高精尖绿色生产模式的转变。

(2)技术背景
20世纪20-40年代勒·柯布西耶等一代杰出的建筑师提出了建筑工业的多米诺体系。
“我们构思了一个结构体系——骨架——完全独立于住宅平面功能地骨架:它只承载楼板和楼梯,它由于标准地构件组成。彼此可以联立,住宅地组合于是便具有了丰富地多样性。……这是一种专门用于工地地现场材料,工字钢梁临时钩在固定于每根柱顶端的柱环上,构成简单地支架,通过这种方式确保楼板上下表面浇筑平整;混凝土柱就在建筑脚下浇筑,并随着上方模架体系竖立起来。技术公司把骨架销售到全国各地,其组合与定位取决于规划建筑师,或者更简便地,由顾客来决定。”

20世纪50-60年代建国初期,从前苏联搬、抄了单层工业厂房体系。该体系中的柱、吊车梁、人字形屋架和薄腹屋面梁、槽型屋面板、天沟板和槽,均采用预制生产,围护结构多为砖砌体。在这个年代构件的预制生产大多是在工程现场,且多为非预应力构件,技术水平不高,质量也不稳定。
1960s,工业建筑的主要构件已是工厂化集中生产,构件质量明显提高;特别是预应力技术在钢筋混凝土预制构件企业得到推广应用,不但节省了原材料,还提高了构件的性能。

1976年以前,预制板因为使得盖楼速度快,价格相对便宜,质量相对来说也有保障,因而在全国范围内被大力推广。直到唐山大地震摧毁了整整一座城市。

进入九十年代后,由于(部分)装配式建筑自身有许多问题,主要可用“热、裂、漏“来概括,和现浇结构相比,这些问题更显突出。于是现浇结构几乎全部替代了装配式结构。
在进入21世纪后,装配式建筑在设计概念及技术上有了一定程度的积累和进步。

03
上海地区预制装配式建筑的适用范围
由于目前无论是PC还是钢结构,其总的造价仍然高于传统现浇混凝土结构,因此少做或者不做装配式仍然是各大甲方的诉求,根据沪建建材〔2019〕97号,如下建筑可以不考虑装配式建筑:
(1)建设工程设计方案批复中地上总建筑面积不超过10000平方米的公共建筑类、居住建筑类、工业建筑类项目,所有单体可不实施装配式建筑。
(2)高度100米以上(不含100米)的居住建筑,建筑单体预制率不低于15%或单体装配率不低于35%。对平屋面或坡度不大于45°的坡屋面房屋,房屋高度指室外地面到主要屋面板板顶的高度(不包括局部突出屋顶部分);对坡度大于45°的坡屋面房屋,房屋高度指室外地面到坡屋面的1/2高度处。
(3)建设项目中独立设置的构筑物、垃圾房、配套设备用房、门卫房等,可不实施装配式建筑。
(4)当居住建筑类项目中非居住功能的建筑,其地上建筑面积总和不超过10000平方米,且其与本项目地上总建筑面积之比不超过10%时,地上建筑面积不超过3000平方米的售楼处、会所(活动中心)、商铺等独立配套建筑,可不实施装配式建筑。
(5)当工业建筑类项目中配套生活用房及配套研发楼等地上建筑面积总和不超过10000平方米,且其与本项目地上总建筑面积之比不超过7%时,地上建筑面积不超过3000平方米的配套生活用房、配套研发楼等独立非生产用房,可不实施装配式建筑。
(6)技术条件特殊的建设项目,可申请调整预制率或装配率指标。
04
上海地区预制装配式建筑的计算
然而多数情况上海地区在土地出让时,一般会按照预制率40%或预制装配率60%的要求写入规划条件中去,因此对于目前绝大多数项目,装配式建筑是一个必须的选择。针对两种计算要求,在上海的计算细则里,给出了两种计算方法。


方法一比较简单明了,及采用预制构件的体积比,方法二为权重系数法,与墙体、楼板等构件的厚度无关,仅与墙体长度、楼板面积、构件数量相关。因此,一般对于200mm以上的装配式外墙,尤其是夹心保温外墙,方法一更为合理。
在这种计算规则下根据一些项目的计算案例比较,可比较明显地得出,对于住宅项目而言,使用方法一的计算更为有利。
住宅:

另一种情况是针对现在越来越多的精装修住宅,有业主提出,若考虑精装部分的预制,是否采用60%预制装配率的要求更为经济。若考虑精装部分,则必须采用方法二即权重系数法进行计算,计算规则如下:

新的计算规则较老版提高了部分部品部件的权重系数,在老规则下,全装修权重系数十分低,计算上毫无优势。新版规则提高了全装修权重系数,尽管如此,通过计算比较,如下表:

当考虑以上全部项目时,内装权重系数0.5,内装部品修正系数0.65,按照80%装配率计算为26%,按照60%预制装配率计算,仍需34%构件实施预制。这几乎与40%预制率相差无几,且目前集成式卫生间和厨房,其品质上并不太高,因此总的来说,选择使用40%预制率计算仍是较为经济的。
05
预制装配式建筑的设计及施工
对于PC结构而言,一般来说有如下流程:

对于PC项目而言,施工图设计单位、PC深化单位、总包、PC加工厂、门窗厂家、空调、太阳能、新风、卫浴等厂家均需有效地整合信息。例如,施工图阶段:当各种设备供应厂家的设备对深化设计构成影响时,应在深化设计开始前的施工图阶段进行招采;深化阶段:各种设备的供应厂家应提出设备安装要求,明确设备安装需要土建进行调整和预留,反馈深化设计单位;构件加工阶段:与加工厂配合,保证设备点位位置、型号准确。
然而现实往往不尽如人意,如下案例中,建筑墙身图与结构墙身图不符,结构图中,结构梁上翻,下面留了150mm的空间给PC墙,由于赶工的原因,此洞口为后开,没有预留,而开洞信息尽在建筑图中表述,当工人依据建筑图开洞时,却没有注意到这其中差别,直接将洞口开到了结构梁底,打断了梁的纵向主筋。


现场照片如下:

因此,对于PC结构的从设计到施工,都面临着一系列的管理问题需要解决。针对各个专业,尤其是精装项目,原先可以后置的专业都需要前置,例如精装二次机电深化,电气专业所需提资有:



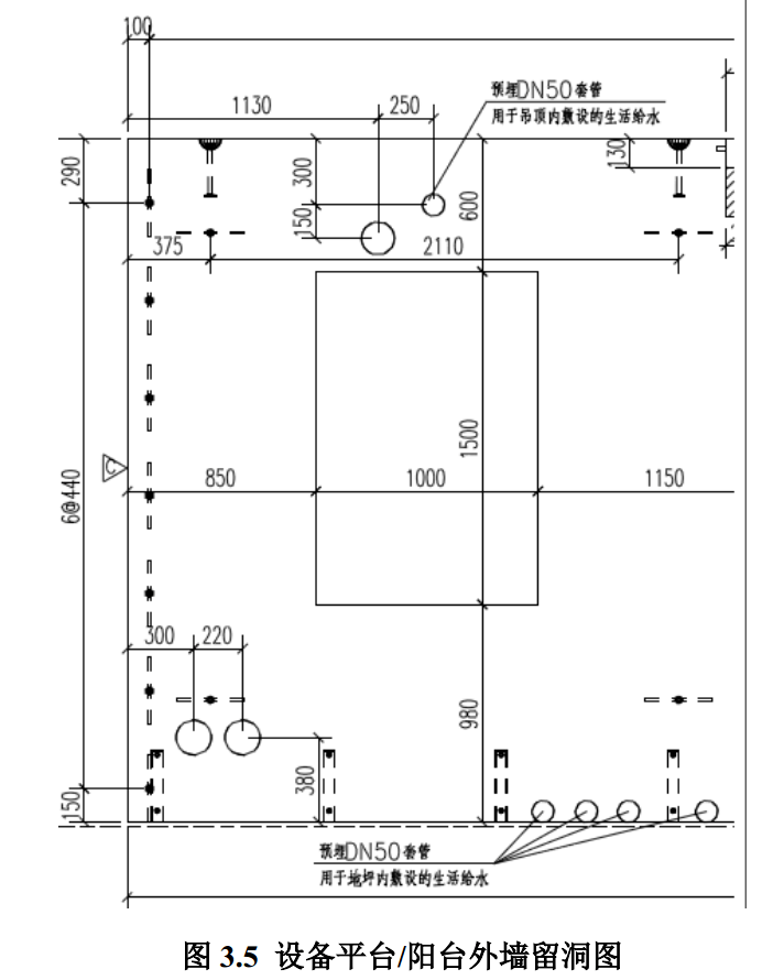
给排水专业:
PC 设计应共同参与决定在预制构件中预埋的给排水管、止水节、地漏、穿墙套管等的做法和节点,例如穿墙套管的材质和墙内外高低差、管线穿墙穿板处的防水处理、预留孔洞的大小和允许偏差等;

暖通专业:
提资时应注明预制构件中需要预留的新风、空调、排风孔位置和相关的尺寸规格。


针对这种复杂管理情况,工业化内装管线分离(Skeleton Infill)体系会是一个可行性的选择。

这种体系机电设备完全脱离于主体结构,易于维修、更换,但对房间的套内面积会有一定的损失。
联系地址:德州市经济技术开发区红都路956号
联系电话:0534-2109518
传真:0534-2109698
邮箱:[email protected]
周经理:18963003578

微信扫一扫
WECHAT SCAN