一、技术内容
钢管桁架预应力混凝土叠合板(简称PK3型叠合板)是指采用了“灌浆钢管桁架”为加劲肋的先张预应力混凝土预制底板,在工地现场拼装完成后,然后在预制底板上配筋,并现场后浇混凝土形成的叠合楼板。钢管桁架预应力混凝土叠合梁技术(简称PKL型叠合梁)是PK3型板的应用延伸,可与PK3型板等多种产品“共线生产”。由PK3型叠合板技术和PKL型叠合梁技术共同组成的“新型装配整体式先张预应力楼盖体系”是装配式建筑领域极具性价比的水平结构技术体系。

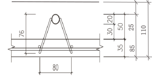
图1 PK3型板构造图

图2 钢管桁架剖面图
PK3型板下部受拉区采用性价比较高的抗拉材料“高强预应力钢筋”、中部采用传力效率极高的机构“三角形空间桁架”、上部受压区采用性价比极高的抗压材料“灌浆钢管”,从而达到了完美的受力性能。同时,PK3型板通过调整桁架高度、密度以及钢管的直径和壁厚,还能实现“刚度适中、无撑少撑、适用面广、灵活选用”。
在设计阶段,该技术遵循“等同现浇”的设计原则,真正实现了叠合类楼板与现浇楼板在性能与成本上的对接;由于PK3型板技术可实现“不出筋与并板缝”,从而实现了“设计标准化、模数化”,这是“降本增效”的关键。
在生产阶段,该技术充分展现了“无预应力不经济”的实践共识,用钢量与混凝土用量均减少约40%,全过程机械自动化操作、无模具摊销,实现了多种产品的“共线生产”,提升效率、减少用工。
在施工阶段,该技术实现了“免模无撑或少撑”,显著提升质量、提高效率、降低措施费用。
二、技术指标
钢管桁架预应力混凝土叠合板技术的安全性与质量应满足国家现行标准《混凝土结构通用规范》GB 55008、《混凝土结构设计规范》GB 50010、《装配式混凝土结构技术规程》JGJ 1、《装配式混凝土建筑技术标准》GB/T 51231、《混凝土结构工程施工质量验收规范》GB 50204以及《钢管桁架预应力混凝土叠合板技术规程》T/ CECS722、《预应力混凝土用钢丝》GB/T 5223、《钢结构设计标准》GB 50017和《钢筋焊接网混凝土结构技术规程》JGJ 114、《预应力混凝土钢管桁架叠合板》(图集号L18ZG401)等的有关规定。
钢管桁架预应力混凝土叠合板技术的关键技术指标如下:
1. 钢管桁架预应力混凝土叠合板的材料宜采用高强预应力钢丝与适宜的高强混凝土。钢管桁架预应力混凝土预制底板混凝土强度等级不宜低于C40。叠合层的混凝土强度等级不应低于C30。钢管内灌浆材料宜采用微膨胀高强砂浆,抗压强度标准值不应低于40MPa。叠合层内受力钢筋、构造钢筋宜采用热轧带肋钢筋,也可采用热轧光圆钢筋。
2. 钢管桁架预应力混凝土叠合板可根据预制底板支座构造、长宽比按单向板或双向板设计。对于长宽比不大于3的4边支承钢管桁架预应力混凝土叠合板,宜按双向板设计。承受均布荷载的双向叠合楼板,在正常使用极限状态下的内力计算,宜选择符合实际的方法,也可按正交异性板计算。均布荷载作用下的双向叠合板承载力计算时,可忽略预制底板之间密拼式整体接缝的影响。
3. 钢管桁架预应力混凝土预制底板的厚度不宜小于35mm;跨度不小于6.6m时,预制底板厚度不应小于40mm。钢管桁架预应力混凝土叠合板后浇混凝土叠合层厚度不宜小于75mm,且不应小于60mm和1.5倍底板厚度的较大值。叠合层中垂直于预应力钢筋方向的板底钢筋,应紧贴预制底板上表面放置;按双向板设计时,受力钢筋面积应按计算确定;按单向板设计时,应配置分布钢筋。
4. 钢管桁架预应力混凝土预制底板的搁置长度应符合下列规定:与混凝土梁或混凝土剪力墙同时浇筑时,伸入梁或墙内不应小于10mm;搁置在钢梁或预制混凝土梁上时不应小于40mm;搁置在承重砌体墙时不应小于80mm;当在承重砌体墙上设混凝土圈梁,利用胡子筋拉结时,搁置长度不应小于40mm。
5. 当胡子筋影响钢管桁架预应力混凝土预制底板安装施工时,可仅在一端预留胡子筋,并在不预留胡子筋一端的预制底板上方设置端部连接钢筋,端部连接钢筋应沿板端交错布置。
6. 钢管桁架预应力混凝土预制底板侧边的密拼式接缝宜为紧密接缝,构造形式可采用斜平边、部分斜平边等形式。钢管桁架预应力混凝土预制底板侧边的接缝应采用无机材料嵌填,嵌缝无机材料宜采用微膨胀高强水泥砂浆。
三、技术优势
1. 下部受拉区采用预应力技术:在底板中放置预应力钢筋,有效地降低了预制板的厚度,同时避免了开裂。
2. 上部受压区采用钢管桁架:与普通桁架筋的上弦钢筋对比,极大地提高上部受压区的抗压能力。
3. 底板最小厚度35mm,容重仅为每平米85kg:是目前世界上最薄的预应力混凝土预制底板,极大减轻预制底板的自重,全面提升生产、运输与安装效率。
4. 叠合后最小厚度110mm:可以采用“35mm+75mm=110mm”的构造形式,比传统“60mm+70mm=130mm”或“60mm+80mm=140mm”的构造形式更薄,从而减轻主题结构自重,节能节材,减碳环保。
5. 极限大板幅可达4.2m宽,12m长:目前,PK3的极大单板板幅已经达到50.4m2,随之更宽模台产线设备的研发应用,这一世界纪录还将会被持续刷新。
6. 无支撑或少支撑:由于采用预应力技术,PK3型板刚度大,可实现大胯或超大跨的场景应用。同时,PK3型板通过调整桁架高度、密度以及钢管的直径和壁厚,还能实现“刚度适中、无撑少撑、适用面广、灵活选用”。
7. 密拼后无需后浇带:预应力薄板可实现“并板缝、密拼”,板面后穿的贯通钢筋的位置有效降低到“底部受拉区”,真正实现预应力筋与非预应力筋同在底部受拉区,进而形成双向板的受力状态。
8. 不出筋或一面出筋,提高施工效率:一面出筋时,“胡子筋”可在支座处交替出现,没有胡子筋的可以在板端后置“假胡子筋”;不出筋时,板的两端均采用“假胡子筋”的构造做法。
9. 可实现多层流水作业:由于PK3的刚度大、免模少撑或无撑,从而能实现多层流水作业。
10. 生产成本降低40%:PK3型板能减少约40%的钢筋和混凝土用量。
4. 适用范围
钢管桁架预应力混凝土叠合板可以与装配式混凝土框架结构、钢框架结构、装配式剪力墙结构组合形成一系列装配整体式结构体系,也可以取代现浇结构体系中的现浇楼盖,可广泛应用于公共建筑、居住建筑以及工业建筑。
5. 工程实例
济南市山东省会文化艺术中心项目、济南市万科悦峯项目、济南市兴隆南学校项目、济南市济水上苑17号楼项目、济南市港新园公租房项目、济南市西客站片区安置三区B3地块小学项目、济南市托马斯国际学校项目、上海市外高桥邮轮内装制造平台项目、徐州市园博园项目、绍兴市越城区镜湖官渡 3 号地块钢构装配式住宅项目、阜阳市康居苑项目、杭州市杭政储出 (2018) 31号商业商务项目、阜南县城南新区安置房项目等。
联系地址:德州市经济技术开发区红都路956号
联系电话:0534-2109518
传真:0534-2109698
邮箱:[email protected]
周经理:18963003578

微信扫一扫
WECHAT SCAN